services@jtchip.com
Welcome to JT ELECTRONIC (HK) COMPANY LIMITED
For several decades, MOS-gated power devices have been the prevalent choice for voltage-source inverters (VSIs) and current-source inverters (CSIs) in machine drives. However, recent advancements in power semiconductor technology, specifically the development of wide bandgap (WBG) power semiconductors using silicon carbide (SiC) and gallium nitride (GaN), have emerged as a viable alternative. They can switch faster than their silicon-based counterparts, making them an attractive option for high-frequency PWM switching applications.
Despite their advantages, using WBG devices as drop-in replacements for silicon-IGBTs in VSI machine drives has led to unexpected challenges, including elevated electromagnetic interference (EMI) levels and over-voltages at machine terminals. As a result, adopting WBG power semiconductors for machine drives is an area of active research and development.
Voltage-source inverters (VSIs) and current-source inverters (CSIs) are the two primary types of inverters used in power electronics, each with their own strengths and weaknesses depending on the application. Below are the major design and performance differences between the two.

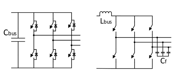
Fig 1a: VSI Inverter topology. Fig 1b: CSI Inverter topology.
System Design
To achieve the desired performance and output of the system, the design of the inverters with high-frequency WBG devices is an important factor.
When it comes to CSIs, consist of a simple structure comprising of a switching device, and a freewheeling diode. In this case, the inductor acts as a buffer to filter and smoothen the output received. On the other hand, the VSI has a more complex architecture, consisting of a dc-link capacitor, a switching device, and a freewheeling diode. However, in this case, the dc-link capacitor acts as a buffer to smooth out the output voltage.
When high-frequency WBG devices come into the picture, the use and selection of the inductor or capacitor are key elements for maximizing efficiency. The inductor value should be selected to provide enough inductance to ensure that the output current is smooth, while the capacitor value should be selected to provide enough capacitance to ensure that the output voltage is smooth. However, as the switching frequency increases, the inductor value decreases, and the capacitor value increases. As a result, the VSI may require a larger dc-link capacitor to achieve the desired performance.
EMI Differences:
EMI is a critical factor in the design of machine drives, especially in applications where electromagnetic compatibility (EMC) is a requirement. The choice of inverter topology affects the level of EMI generated by the system. The CSI generates less EMI compared to the VSI due to the presence of the current-source inductor. The inductor acts as a filter, which suppresses high-frequency harmonics generated by the inverter. However, as the switching frequency increases, the inductor value decreases, and the EMI generated by the CSI increases.
On the other hand, the VSI generates more EMI compared to the CSI due to the presence of the dc-link capacitor. The capacitor acts as a source of high-frequency harmonics, which can propagate through the system and affect other electronic devices. However, as the switching frequency increases, the EMI generated by the VSI decreases due to the reduced voltage stress on the switching devices.
Efficiency Simulation:
Efficiency is an important parameter in the design of machine drives, mainly in technology where energy efficiency is a requirement. The choice of inverter topology affects the level of efficiency achieved by the system. The CSI has higher efficiency compared to the VSI especially due to the lower switching losses and the presence of the current-source inductor. The inductor stores energy during the on-state of the switching device and releases it during the off-state, reducing the switching losses. However, as the switching frequency increases, the inductor value decreases, and the efficiency of the CSI decreases.

Fig 2: Comparing the efficiency of CSI and VSI.
VSI on the other hand has comparatively lower efficiency due to the higher switching losses and the presence of the dc-link capacitor. The capacitor stores energy during the on-state of the switching device and releases it during the off-state, increasing the switching losses. However, as the switching frequency increases, the efficiency of the VSI increases due to the reduced voltage stress on the switching devices.
WBG devices possess the advantage of high-frequency switching, which increases the efficiency and power density of the inverter. The use of these devices however also requires the implementation of a reverse-voltage-blocking switch to protect the inverter from reverse-voltage stress. This reverse-voltage-blocking switch prevents the voltage generated by the motor from propagating back to the inverter and damaging the switching devices.
Semiconductor Switching Need for CSI vs VSI: Silicon MOS-gated power switches played a crucial role in the shift from CSIs to VSIs in the motor drive industry, due to their ability to conduct current bidirectionally and block voltage only in the forward direction. This made them ideal for VSI applications, which dominate the motor drive market today. However, the emergence of new WBG devices raises questions about which inverter topologies are best suited to their features. While the CSI topology offers advantages in areas such as EMI, efficiency, and over-voltage, there are few commercially-available power semiconductor devices that meet the requirements for competitive CSIs, so alternative approaches are being examined.
Reverse-Voltage-Blocking Switch Configurations: The suitability of GaN-HEMT devices and Reverse-Voltage-Blocking (RVB) switches for CSIs was assessed by the researchers during the experiment. A series diode arrangement, a gate-shortened design, a two-source connected GaN-HEMT arrangement, and a common-drain arrangement are the four RVB switch topologies that are suggested. Despite its ease of use, the series diode configuration has a large conduction loss. The two-source-connected configuration is appropriate for bidirectional switching as against the gate-shortened design's voltage loss and oscillation problems. The monolithic RVB device could be made from the common-drain arrangement, which has reduced on-state resistance and better reverse-voltage blocking capabilities.
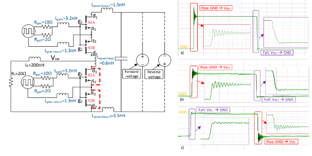
Simulation and Results: The common-source configuration was chosen for experimental tests, using a PCB with GaN-HEMT RVB switches. ANSYS Q3D and LTSpice were used for simulation during the design process, and the equivalent circuit identifying parasitic components is shown in Fig. 3. Reverse-voltage-blocking capability was tested, and the switching performances for both forward- and reverse-voltage-blocking conditions were found to be symmetrical. The simulation results matched accurately with experimental results, ensuring the effectiveness of the simulations for future designs.

Fig 3a: Test circuit used for simulation. Fig 3b: Reverse-voltage-blocking (RVB) switch test circuit waveform.
An experiment was conducted to analyze the use of high-frequency WBG devices in both CSI and VSI inverter topologies. It was observed that the optimal choice between the two inverter topologies depends on the application requirements and factors such as EMI and reverse-voltage-blocking capability. Additionally, the use of WBG devices necessitates the inclusion of a reverse-voltage-blocking switch, which can be implemented using either the cascode or Schottky-diode configuration.
Overall, the use of high-frequency WBG devices presents a promising opportunity for improved machine drive performance, and further research is needed to optimize inverter design for specific applications.
Tel